收藏本站
设为首页收藏本站

【天端--工程在线】

 找回密码
 注册

QQ登录

只需一步,快速开始

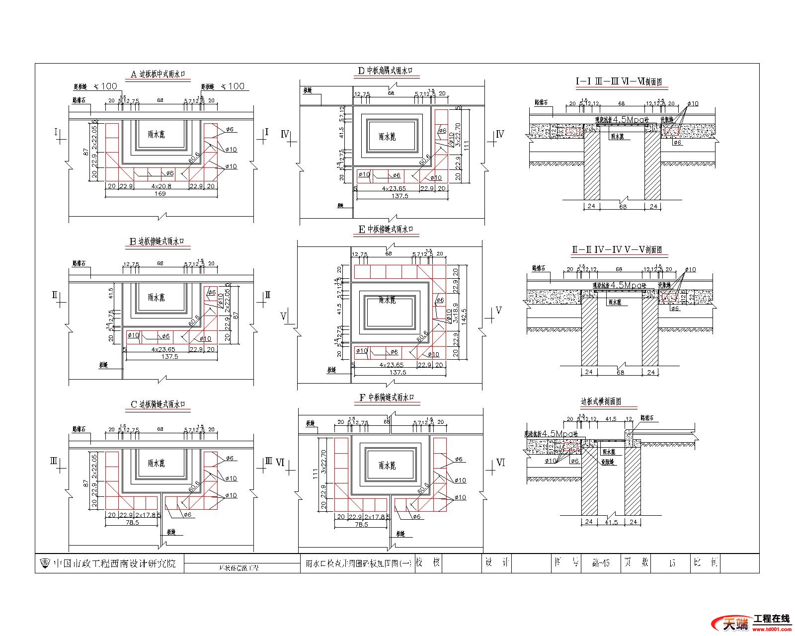
雨水口检查井周围砼面板加固图

查看数: 1192 | 评论数: 1 | 收藏 0
关灯 | 提示:支持键盘翻页<-左 右->
    组图打开中,请稍候......
发布时间: 2010-7-3 20:35

正文摘要:

雨水口检查井周围砼面板加固图

回复

qiuyue 发表于 2010-8-30 08:27:42
此帖仅作者可见
特别声明:本站资料全部来自互联网和网站会员上传,若侵犯作者权益请与本站联系,我们将在24小时内删除!
管理员:〖快乐小屋〗 QQ:273469910 邮箱:273469910@qq.com

QQ|Archiver|手机版|【天端--工程在线】    

GMT+8, 2025-12-25 22:47

Powered by Discuz! X3.2

© 2001-2013 Comsenz Inc.

快速回复 返回顶部 返回列表